Liên hệ
EMERSON coil ESC 24VAC PCN 801033
Cuộn cảm cho van điện từ
nguồn 24VAC
17VA 50(60)Hz
IP65
ED100%
► Hàng mới 100% - chính hãng - xuất hóa đơn VAT
► Bảo Hành 12 tháng - Hỗ trợ kỹ thuật chu đáo
ssP.A Việt Nam tiên phoVui
Power transducer N3 series power Transducer
FEATURES
◆Excellent long term stability (4 ~ 20mA, 500 W )
◆Precision measurement even for unbalance system
◆Precision measurement even for distorted wave
◆High impulse & surge protection (5KV)
◆The case can be mounted on a 35mm rail which complies with DIN 46277.
DESCRIPTION
..png)
Specification:
Aux. power supply | AC 110V ± 15%, 50/60HZ AC 220V ± 15%, 50/60HZ DC24V, 48V, 110V, ± 15% |
Power consumption | -2.5VA, ≤DC 3W |
Power effect | ≤0.1% RO |
Waveform effect | ≤0.2% RO. at distortion factor 30%( PCIR) |
Output load effect | ≤0.05% RO. |
Magnetic field strength | -0.2% RO., 400A/M |
Span adjustment range | 5%RO |
Zero adjustment range | 1%RO |
Operating temperature range | 0 ~ 60℃ |
Operating temperature range | 0 ~ 60℃ |
Storage temperature range | -10 ~ 70℃ |
Temperature coefficient | - 100PPM from 0 to 60℃ ≤ 60PPM, 25。C ± 10℃ |
Max. relative humidity | 95% |
Isolation | Input/output/power/case |
Insulation resistance | 100M W, DC 500V |
Dielectric withstand voltage | Between input/output/power/case (IEC 414, 688,ANSI, C37) AC 2.6KV, 60HZ, 1 min. |
Impulse withstand test | 5KV, 1.2 X 50μS (IEC 255-4, ANSI C37 90a) Common mode & differential mod |
Performance | Designed to comply with IEC688 |
Safety requirements | IEC 414, BS5458 |
.png)
.png)
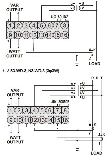
Model N3-RD-3A-105A40Y , N3-AD-3-15A40 , N3-VD-1S-05A4F
ATZ THIẾT BỊ CÔNG NGHIỆP
Tel : 028.6658.3839 - Hotline : 0909.366.247 - Zalo : 0909.366.247
Email : atz@atzThietbiCongNghiep.com
Địa chỉ : 655 Lũy Bán Bích, Quận Tân Phú, Tp.HCM